Stima dei costi di spedizione
Descrizione
Bussola autofilettante in acciaio temprato M12x1,75 - Fixi
|
Codice |
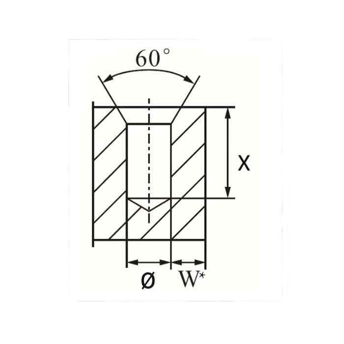
d Filetto interno |
D Diametro est. |
P* |
ø foro |
ø foro |
ø foro |
X |
L |
|---|---|---|---|---|---|---|---|---|
| 83ACF212M12 | M 12 x 1,75 | 16 | 1,5 | 15,2-15,4 | 14,8-15 | 14,9-15,2 | 26 | 22 |
Note:
*P Attenzione: filetto speciale, forare ma non pre-maschiare.
Tolleranza filetto interno d: secondo ISO 6H
Tolleranza diametro esterno D: Secondo norme di lavorazione
*W Distanza minima dal bordo: lega leggera W ≥ 0.2 x D; Ghise W ≥ 0.3 x D; Plastiche W ≥ 0.25 x D

